首页
中心概况
新闻中心
行业资源
职业培训
服务指南
专业知识
首饰情缘
珠宝鉴赏
联系我们
行业资源
肥城法律法规
肥城行业动态
肥城行业标准
肥城会展信息
证书版面
行业标准
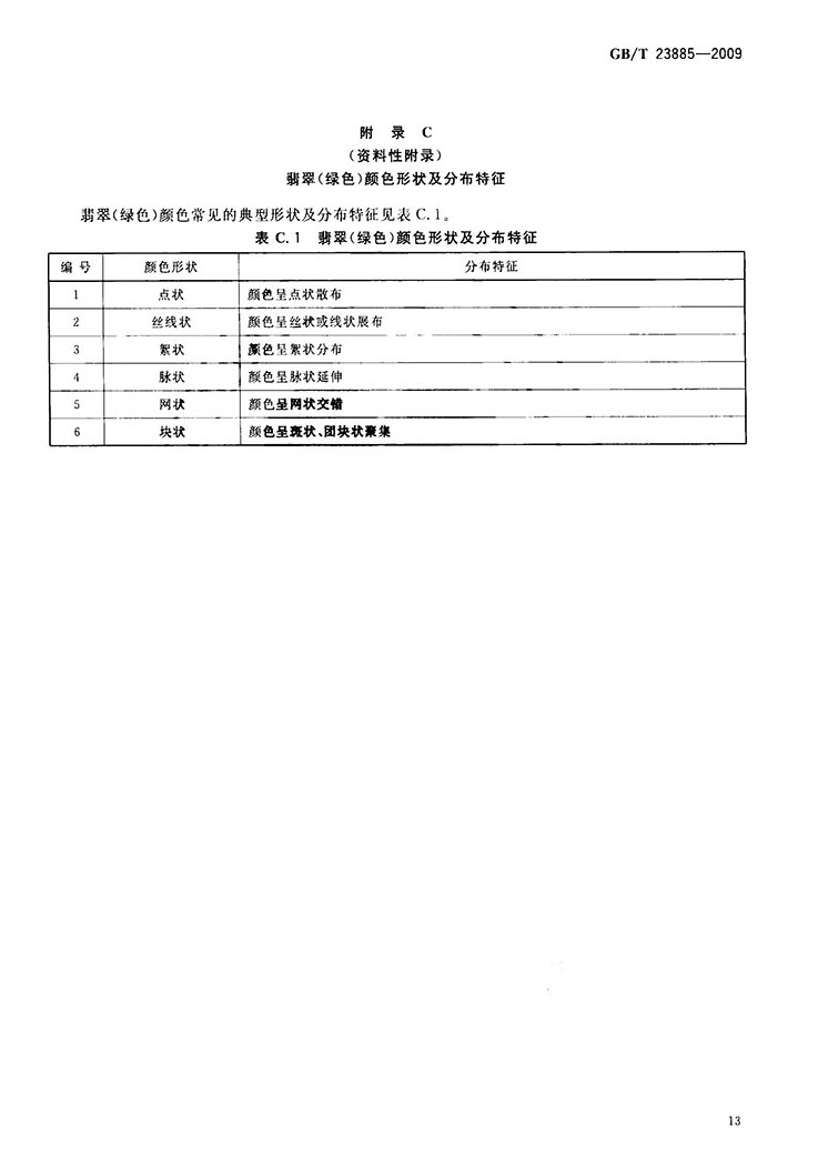
GB/T 23885-2009 翡翠分级
发布时间:2012-08-30 15:23 浏览量:140654
上一篇:
肥城GB 11887-2012 首饰 贵金属...
下一篇:
肥城GB/T 21198.6-2007 贵金属...
x