首页
中心概况
新闻中心
行业资源
职业培训
服务指南
专业知识
首饰情缘
珠宝鉴赏
联系我们
行业资源
普兰店法律法规
普兰店行业动态
普兰店行业标准
普兰店会展信息
证书版面
行业标准
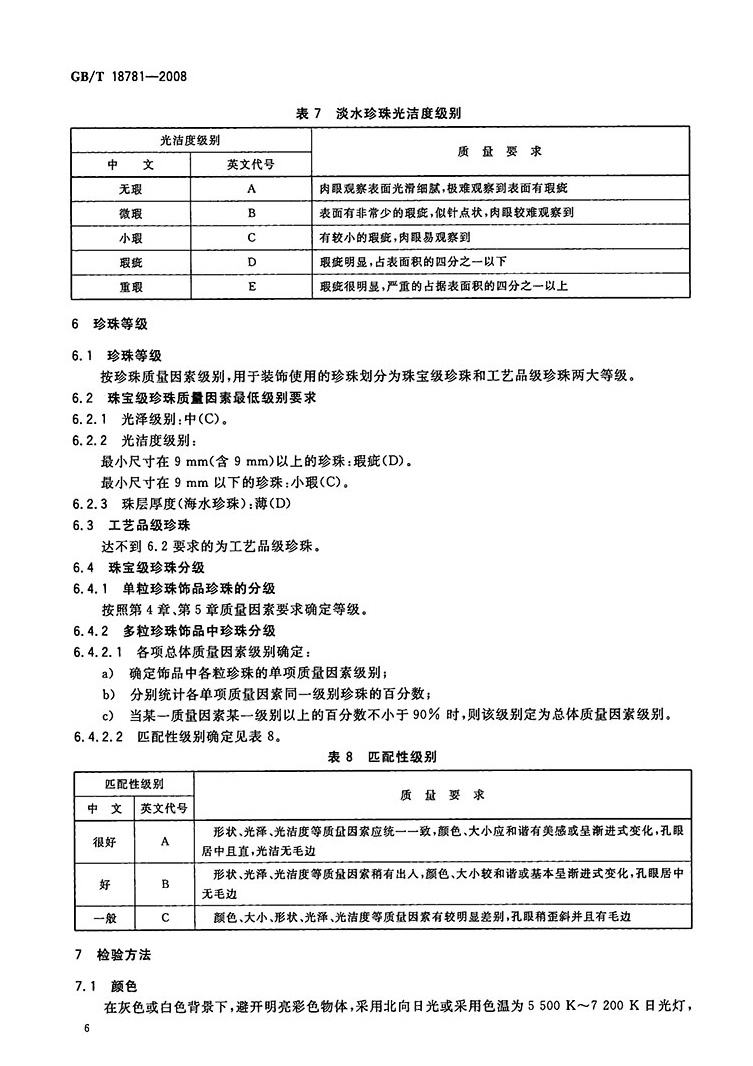
GB/T 18781-2008 珍珠分级
发布时间:2012-08-30 15:18 浏览量:137719
上一篇:
普兰店GB/T 21198.6-2007 贵金...
下一篇:
普兰店QB/T 2062—2015 贵金属...
x